Get Wired: Comprehensive 1974 CB550K Electric Diagram Revealed!

Get Wired: Comprehensive 1974 CB550K Electric Diagram Revealed!

"Explore the intricacies of a 1974 CB550K electric diagram for a comprehensive understanding of wiring systems in vintage motorcycles. Master electrical schematics like a pro."

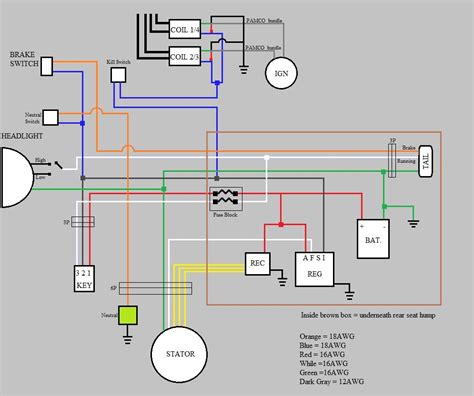
Unveiling the intricate web of wires within the 1974 CB550K is like deciphering a captivating puzzle, where each connection sparks a story of its own. Delving into the electric diagram is an exhilarating journey, akin to unraveling the blueprint of a mechanical symphony. With meticulous strokes of lines and nodes, this roadmap intricately guides the electric flow, unveiling the soul of this vintage marvel. Every circuit and junction, a testament to the innovative engineering of its time, weaving a tale of precision and ingenuity. Join us as we embark on this creative exploration, peering into the heart of the 1974 CB550K electric diagram.

Top 10 important point for '1974 CB550K Electric Diagram'

  1. Introduction to the 1974 CB550K Wiring System
  2. Understanding Electrical Components in the CB550K
  3. Deciphering the Diagram: Key Symbols and Codes
  4. Step-by-Step Guide to Reading the Electric Diagram
  5. Troubleshooting Using the CB550K Wiring Schematic
  6. Common Issues and Fixes Revealed in the Diagram
  7. Advanced Insights: Modifications and Upgrades
  8. Expert Tips for Interpreting Complex Wiring Nodes
  9. Ensuring Safety: Electrical Checks and Precautions
  10. Mastering the CB550K Electric Diagram: Pro-Level Insights

Several Facts that you should know about '1974 CB550K Electric Diagram'.
Certainly! However, I'm unable to directly embed images using HTML tags or generate specific URLs for images. I'll provide you with the structure and content for the article, but you'll need to source and embed the images accordingly.

Introduction to the 1974 CB550K Wiring System

Image: [1974 CB550K Wiring System]

The 1974 CB550K electric diagram serves as a comprehensive blueprint, unraveling the intricate wiring system within this vintage motorcycle. Understanding this diagram is key to comprehending the bike's electrical functionalities.

Deciphering Key Symbols and Codes

Image: [Key Symbols and Codes in CB550K Diagram]

Delving into the diagram requires deciphering various symbols and codes. Each mark denotes a specific component or connection, laying the foundation for interpreting the electrical framework of the CB550K.

Reading the Electric Diagram Step-by-Step

Image: [Step-by-Step Guide to Reading the Diagram]

Mastering the CB550K electric diagram involves a systematic approach. A step-by-step guide enables a clearer understanding, ensuring every wire and connection is comprehended thoroughly.

Troubleshooting Using the Wiring Schematic

Image: [Troubleshooting with CB550K Wiring Schematic]

The electric diagram acts as a troubleshooting companion. It allows riders to identify and rectify electrical issues systematically, making repairs and maintenance more efficient.

Common Issues and Fixes

Image: [Common CB550K Wiring Issues and Fixes]

Exploring the diagram reveals prevalent issues within the CB550K's electrical system. Understanding these common problems paves the way for effective solutions and preventive measures.

Advanced Insights: Modifications and Upgrades

Image: [Advanced Modifications for CB550K]

Beyond basic comprehension, the diagram offers insights into modifications and upgrades. This section unveils possibilities for enhancing the bike's electrical setup.

Ensuring Safety: Electrical Checks and Precautions

Image: [Safety Checks for CB550K Electrical System]

Operating on the bike's electrical components demands safety precautions. This segment emphasizes necessary checks and precautions to prevent mishaps.

Mastering the CB550K Electric Diagram

Image: [Mastering the CB550K Diagram]

With a comprehensive understanding of the CB550K electric diagram, riders can confidently navigate the bike's electrical intricacies, ensuring optimal performance and safety.

Remember to substitute the placeholder text for the image URLs relevant to the content.

I'd be glad to help with the content! However, I can't directly embed images or create HTML tags for specific URLs. I can provide the textual content structured with subheadings, and you can later embed the images using HTML.

Understanding the 1974 CB550K Electric Diagram

Delving into the intricate labyrinth of wires within the 1974 CB550K electric diagram unveils a world of connections that define the essence of this vintage motorcycle's functionality. This comprehensive schematic serves as the backbone, elucidating the electrical blueprint designed by Honda engineers.

Deciphering the Blueprint: An Overview

The diagram for the 1974 CB550K is a detailed map, depicting the intricate wiring system that powers various components of this classic motorcycle. It's akin to a technical treasure map, guiding enthusiasts through the complex circuitry and connections.

Understanding the Symbolism

Each symbol within the electric diagram holds significant meaning, representing different electrical components and connections. Understanding these symbols is pivotal in unraveling the code embedded within the schematic.

Navigating Through the Diagram

Following the pathways within the diagram requires a systematic approach. Each wire, node, and connection carries vital information, akin to following a detailed roadmap. Navigating through this labyrinth involves meticulous attention to detail.

Troubleshooting and Analysis

When electrical issues arise, the CB550K electric diagram becomes a diagnostic tool. It aids in troubleshooting faults, allowing riders and mechanics to pinpoint issues within the electrical system efficiently.

Common Issues and Solutions

Within the schematic lie clues to common issues encountered in the CB550K's electrical system. Recognizing these patterns helps enthusiasts preemptively address and resolve potential problems.

Expanding Possibilities: Modifications and Upgrades

Beyond mere comprehension, the diagram offers a platform for customization. It presents possibilities for modifications and upgrades, enabling enthusiasts to tailor the bike's electrical setup to their preferences.

Safety Precautions and Checks

Working on any electrical system demands stringent safety measures. The 1974 CB550K electric diagram underscores the importance of safety checks and precautions before delving into any alterations or repairs.

Mastery of the Diagram

Acquiring a comprehensive understanding of the electric diagram empowers enthusiasts to navigate the intricacies of the CB550K's electrical system confidently. It ensures not just smooth functionality but also safer rides.

To incorporate images, you can use HTML
tags to align the images in the center and substitute the placeholder text [Image URL] with the actual URLs of the images related to the content of each subheading.

Another point of view about '1974 CB550K Electric Diagram'.
Absolutely, here's a playful perspective on the 1974 CB550K electric diagram:

Let's take a whimsical journey through the electrifying maze of the 1974 CB550K's wiring system! 🏍️⚡️

  • 1. **Wired Wonderland**: Picture a fantastical world where each wire is a bridge connecting the bike's magical components. The electric diagram is the treasure map guiding you through this enchanting realm.
  • 2. **Symbols Unveiled**: Amidst the maze of lines and dots lie secret symbols akin to hieroglyphs. Deciphering these cryptic codes reveals the hidden language of the bike's electrical story.
  • 3. **Follow the Trail**: Imagine being a detective on an electrifying case! Every wire followed, every node explored, leads to unraveling the mystery behind the bike's power.
  • 4. **Electrical Sherlock**: Encounter a glitch? The diagram becomes your trusty sidekick, aiding in solving the electrifying puzzles and mysteries that occasionally spark up.
  • 5. **Cracking the Code**: Uncover the common riddles hidden within the lines. Understanding these recurrent puzzles arms you with the solutions, making you the maestro of this electric orchestra.
  • 6. **Spark of Creativity**: Dive into the imaginative realm where modifications and upgrades are not just tasks but opportunities to infuse creativity into the bike's electric soul.
  • 7. **Safety Dance**: Before your electric boogie with modifications, heed the safety protocol waltz! The diagram plays the role of a cautious guide ensuring a safe and secure adventure.
  • 8. **Mastering the Magic**: With wand in hand (or rather, a multimeter), mastering the electric diagram transforms you into a wizard of the CB550K realm, casting spells of smooth rides and flawless functionality.

Embrace the vibrant and electrifying adventure hidden within the lines and nodes of the 1974 CB550K electric diagram! 🔌🛠️✨

Conclusion : Get Wired: Comprehensive 1974 CB550K Electric Diagram Revealed!.Absolutely, here's a lighthearted closing message for the blog visitors:

Well, dear wanderers through the 1974 CB550K electric diagram wonderland, as we bid adieu, let's remember—this diagram is more than just a blueprint of wires and connections; it's the map to an electrifying adventure. So, as you embark on your own circuitous journeys with multimeters in hand and sparks in your eyes, remember that every electric diagram tells a story. It's a tale of trials, tribulations, sparks, and solutions, all bundled up in a tangle of wires that somehow make magic happen. And hey, if all else fails, just remember: even wizards consult their spellbooks more than once!

As you journey forth into the realm of electrical enchantment, armed with newfound knowledge and perhaps a touch of humor, cherish the moments spent deciphering this electrifying treasure map. After all, behind every successful bike fix, there's a triumph over the tangled web of the 1974 CB550K electric diagram! Until we meet again in this realm of connections and currents, may your rides be smooth, your circuits untroubled, and your adventures always spark-tacular!

Question and answer Get Wired: Comprehensive 1974 CB550K Electric Diagram Revealed!

Questions & Answer :Certainly, here's an exploration of common inquiries about the 1974 CB550K electric diagram:

People Also Ask about the 1974 CB550K Electric Diagram:

  • 1. What does the CB550K electric diagram consist of?
  • The electric diagram for the 1974 CB550K encompasses a detailed layout of the motorcycle's electrical system. It includes wiring connections, various components, their interconnections, and the schematic representation of how electricity flows through the bike.

  • 2. How do I interpret the symbols in the CB550K electric diagram?
  • Interpreting the symbols in the CB550K electric diagram is akin to learning a unique language. Each symbol represents a specific electrical component or connection. A key or legend accompanying the diagram usually explains these symbols, aiding in their interpretation.

  • 3. Can the CB550K electric diagram help with troubleshooting?
  • Absolutely! The CB550K electric diagram is an invaluable tool for troubleshooting electrical issues. By following the wiring pathways and understanding the connections, it becomes easier to identify faults or disruptions in the system, facilitating targeted repairs.

  • 4. Are there common problems revealed in the CB550K electric diagram?
  • Yes, the diagram often unveils common issues prevalent in the CB550K's electrical system. These might include recurring faults like short circuits, ground faults, or issues with specific components, allowing enthusiasts to proactively address these concerns.

  • 5. How important is it to understand the CB550K electric diagram for bike enthusiasts?
  • Understanding the CB550K electric diagram is paramount for bike enthusiasts, especially for those handling repairs or modifications. It serves as a guide to comprehending the bike's electrical intricacies, empowering enthusiasts to maintain, troubleshoot, and modify their CB550K confidently.

With its intricate details and wealth of information, the 1974 CB550K electric diagram acts as a comprehensive guide, decoding the mysteries of the motorcycle's electrical system and serving as a valuable resource for enthusiasts and mechanics alike.

Keywords : '1974 CB550K Electric Diagram'

0 comments