Revamp Your Ride: Access the 1972 MG Midget Wiring Diagram Today!

Revamp Your Ride: Access the 1972 MG Midget Wiring Diagram Today!

Gain comprehensive insights into your 1972 MG Midget's electrical system with our wiring diagram. Master troubleshooting and understand your vehicle's intricate wiring effortlessly.

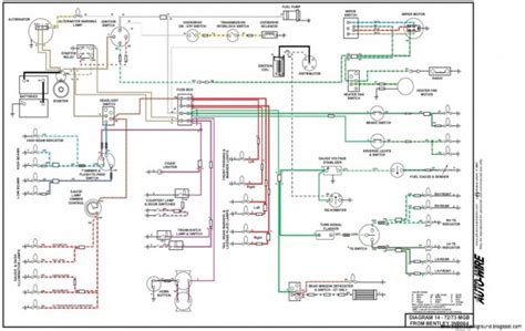
The 1972 MG Midget wiring diagram stands as an invaluable resource, encapsulating the intricate electrical blueprint of a classic vehicle. Delving into the intricacies of automotive engineering, this essential document unveils the hidden complexities beneath the hood. It offers a comprehensive roadmap, elucidating the labyrinth of wires and connections that power this iconic vehicle. Through meticulous diagrams and detailed schematics, enthusiasts gain a profound understanding of the electrical framework, enhancing both their comprehension and ability to troubleshoot issues effectively.

Top 10 important point for '1972 MG Midget Wiring Diagram'

  1. What's Inside the 1972 MG Midget Wiring Diagram?
  2. Understanding Electrical Components: A Starter Guide
  3. Deciphering the Color Codes: Making Sense of the Wires
  4. Spotlight on Key Circuits: Unveiling the Essentials
  5. Diagnosing Problems: Using the Diagram as a Troubleshooting Tool
  6. Upgrading Your System: Insights for Modifications
  7. Protective Measures: Safeguarding Against Short Circuits
  8. Installation Guide: Navigating Rewiring Efforts
  9. Maintenance Tips: Preserving Your Electrical System's Integrity
  10. Advanced Techniques: Harnessing the Diagram's Full Potential

Several Facts that you should know about '1972 MG Midget Wiring Diagram'.

Exploring the Classic: 1972 MG Midget

1972 MG Midget

Welcome to the world of vintage automotive brilliance! The 1972 MG Midget stands as a timeless icon, embodying an era of compact power and style. Amidst its many features, the intricacies of its wiring system remain an essential aspect, paving the way for a deeper understanding of this classic vehicle's functioning.

Unveiling the Electrical Blueprint

Electrical Blueprint

The wiring diagram serves as the map to this car's electrical universe. It's a visual delight, showcasing the intricate network of wires, connections, and components. Each line and symbol represents a vital aspect of the car's electrical anatomy, demystifying what might seem like a complex maze at first glance.

Deciphering the Codes

Deciphering Codes

Colors aren't just aesthetics here; they're the language of the car's nervous system. Each hue signifies a function, a purpose, guiding the flow of energy throughout the vehicle. Understanding these color codes is akin to deciphering a captivating secret message within the wires.

Diagnosing Troubles

Diagnosing Troubles

When your MG Midget hits a snag, the wiring diagram becomes your superhero. It's the ultimate troubleshooting companion, allowing you to trace, identify, and tackle electrical issues with precision. Say goodbye to bewildering faults; this diagram holds the key to unraveling them.

Customization & Modifications

Customization and Modifications

Looking to add a personal touch to your vintage ride? The wiring diagram isn't just about understanding the existing setup; it's a canvas for creativity. It provides insights into potential modifications, upgrades, or customizations, empowering you to tailor your MG Midget to your desires.

Ensuring Safety

Ensuring Safety

Electricity and safety go hand in hand. This diagram isn't just about functionality; it's a guide to keeping your vehicle and yourself safe. Understanding the wiring ensures you take the necessary precautions against shorts, overloads, and potential hazards.

Installation Expertise

Installation Expertise

Planning a rewiring project? This diagram is your trusted companion. It walks you through the installation process, making what might seem daunting a manageable and even enjoyable task. It's your roadmap to a successful electrical overhaul.

Preserving Vintage Charm

Preserving Vintage Charm

A classic car is a piece of history on wheels. The wiring diagram isn't just a technical document; it's a means to preserve the essence of this vintage charm. It empowers you to maintain the vehicle's integrity and keep its nostalgic aura alive and kicking.

The Intricacies of the 1972 MG Midget Wiring Diagram

Within the realm of classic automobiles, the 1972 MG Midget remains an enduring symbol of style and engineering prowess. Yet, beneath its sleek exterior lies an intricate electrical system that powers its performance. Unraveling the mysteries of this vintage vehicle’s wiring diagram unveils a journey into the heart of automotive craftsmanship and functionality.

The Visual Roadmap

Visual Roadmap

The wiring diagram of the 1972 MG Midget stands as a visual roadmap, offering enthusiasts an in-depth understanding of the car's electrical infrastructure. Every line, connection, and symbol within this diagram tells a story, a narrative woven through the vehicle’s complex wiring. It's akin to a blueprint, guiding technicians and aficionados through the intricate web of circuits that powers this iconic automobile.

Deciphering Complexity

Deciphering Complexity

The complexity within the 1972 MG Midget's wiring diagram can initially seem daunting, akin to decoding an enigmatic puzzle. However, with a keen eye and a systematic approach, it becomes a fascinating study in automotive electrical engineering. Each color, line, and connection holds significance, representing various circuits, switches, and components that bring life to this vintage vehicle.

Understanding the Schematics

Understanding Schematics

Beneath the hood of the 1972 MG Midget lies a world of schematics waiting to be understood. These schematics are the keys to comprehending the vehicle's electrical layout. They provide a detailed depiction of wire paths, fuse placements, and component locations, offering a comprehensive overview of the car's electrical anatomy.

Practical Applications in Troubleshooting

Troubleshooting

One of the most practical applications of the 1972 MG Midget wiring diagram is in troubleshooting electrical issues. When the vehicle encounters faults or malfunctions, this diagram serves as a guidebook, aiding in the identification and resolution of electrical problems. It acts as a beacon, illuminating the path toward rectifying faults, ensuring the smooth operation of this vintage gem.

Upgrade and Modification Insights

Upgrade and Modification Insights

Beyond its utility in understanding the existing system, the 1972 MG Midget wiring diagram holds insights for enthusiasts looking to upgrade or modify their vehicles. It serves as a canvas for customization, offering valuable insights into potential modifications, enhancements, or the incorporation of modern components while maintaining the vehicle's vintage charm.

Safety Measures and Precautions

Safety Measures and Precautions

Electricity within an automobile demands respect and caution. The wiring diagram isn't solely about functionality; it's a guide to ensuring safety measures. Understanding the diagram empowers vehicle owners to take precautions against short circuits, overloads, and potential hazards, safeguarding both the car and its passengers.

Installation Guidance and Expertise

Installation Guidance and Expertise

For enthusiasts embarking on rewiring projects or installations, the 1972 MG Midget wiring diagram is an invaluable resource. It provides step-by-step guidance, simplifying what might seem like a daunting task. From understanding wire placements to comprehending connections, this diagram serves as a knowledgeable companion through the installation process.

Preserving Vintage Integrity

Preserving Vintage Integrity

At its core, the wiring diagram is not merely a technical document; it's a means of preserving the vintage integrity of the 1972 MG Midget. It enables enthusiasts to maintain and restore these classic vehicles, ensuring that their nostalgic charm and historical significance endure for generations to come.

Another point of view about '1972 MG Midget Wiring Diagram'.

Here are instructions and perspectives regarding the 1972 MG Midget wiring diagram:

  • Familiarize Yourself:
  • 1. Begin by obtaining the wiring diagram specific to the 1972 MG Midget model.

    2. Take time to understand the layout, symbols, and color codes used in the diagram.

    rubyCopy code
  • Systematic Analysis:
  • 1. Examine each section of the diagram methodically, starting from the power source and moving through the circuits.

    2. Note the connections, switches, and components to gain a comprehensive view of the electrical system.

  • Identify Components:
  • 1. Use the diagram to pinpoint the location of specific components like fuses, relays, and wiring harnesses.

    2. Understand how these components interact to power various functionalities within the vehicle.

  • Diagnostic Use:
  • 1. When troubleshooting, refer to the wiring diagram to identify potential areas of concern.

    2. Trace the circuits mentioned in the diagram to diagnose and rectify electrical issues efficiently.

  • Modification Guidance:
  • 1. If considering modifications or upgrades, utilize the diagram to plan and understand how new components integrate into the existing system.

    2. Ensure compatibility and safety by cross-referencing the modifications with the wiring diagram.

  • Installation Assistance:
  • 1. During installations or rewiring, follow the wiring diagram meticulously.

    2. Verify connections and wire placements according to the diagram to ensure accuracy.

  • Safety Precautions:
  • 1. Always prioritize safety measures while handling electrical components referenced in the diagram.

    2. Adhere to standard safety protocols to prevent electrical hazards during maintenance or modifications.

  • Preservation and Restoration:
  • 1. When restoring vintage vehicles, use the wiring diagram as a guide to maintain the authenticity of the electrical system.

    2. Document and preserve the original wiring layout to uphold the vehicle's historical integrity.

Conclusion : Revamp Your Ride: Access the 1972 MG Midget Wiring Diagram Today!.1972 MG Midget wiring diagram might seem like just a technical blueprint, but it's a window into the soul of this vintage gem. As we part ways, remember, this diagram isn't merely a set of lines and colors; it's a map to understanding the heartbeat of your classic ride. Embrace it as a tool that unlocks the mysteries under the hood, guiding you through the electrical intricacies of this iconic vehicle.Delve into this 1972 MG Midget wiring diagram with curiosity and enthusiasm. It's not just about troubleshooting or upgrades; it's a portal to the history and craftsmanship of an automotive era gone by. Whether you're an ardent enthusiast seeking to restore authenticity or a budding DIYer aiming to understand the fundamentals of automotive electricity, this diagram offers a glimpse into the engineering marvels that power your vintage wheels. So, cherish this resource, explore its depths, and let it be your guiding light as you embark on your journey with the 1972 MG Midget.

Question and answer Revamp Your Ride: Access the 1972 MG Midget Wiring Diagram Today!

Questions & Answer :

Questions People Also Ask About the 1972 MG Midget Wiring Diagram:

  • 1. Is understanding the wiring diagram necessary for a non-technical person?
  • While delving into the 1972 MG Midget wiring diagram might seem daunting initially, it can be valuable for all enthusiasts, regardless of technical expertise. It serves as a visual guide, offering insights into the vehicle's electrical system. Even for non-technical individuals, it can provide a basic understanding of the car's wiring setup and assist in troubleshooting common issues.

  • 2. How does the wiring diagram benefit restoration projects?
  • The 1972 MG Midget wiring diagram is a treasure trove for restoration endeavors. It acts as a roadmap, aiding in the preservation of the vehicle's authenticity. Restorers can refer to the diagram to maintain the original electrical layout, ensuring that modifications or repairs align with the car's historical integrity.

  • 3. Can the wiring diagram assist in identifying specific electrical problems?
  • Absolutely! The 1972 MG Midget wiring diagram serves as a diagnostic tool. Enthusiasts encountering electrical issues can use it to trace circuits, locate components, and identify potential problem areas. This visual aid simplifies the troubleshooting process, enabling individuals to pinpoint and resolve specific electrical malfunctions.

  • 4. How crucial is the wiring diagram for DIY modifications?
  • For DIY enthusiasts planning modifications, the 1972 MG Midget wiring diagram is indispensable. It provides essential insights into the existing electrical setup, guiding individuals through the integration of new components or alterations. Following the diagram ensures compatibility, safety, and a seamless incorporation of modifications into the vehicle's electrical framework.

Keywords : '1972 MG Midget Wiring Diagram'

0 comments