Revamp Your Ride: Explore the 1972 Midget Wiring Diagram Today!

Revamp Your Ride: Explore the 1972 Midget Wiring Diagram Today!

Unlock the restoration potential of your classic 1972 Midget with a comprehensive wiring diagram guide. Master electrical intricacies for seamless repairs and restoration.

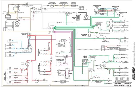
In the intricate world of vintage car restoration, the 1972 Midget wiring diagram serves as the clandestine map to unraveling automotive mysteries. Picture this: a blueprint that unveils the hidden secrets of your classic ride's electrical system, igniting a sense of discovery and nostalgia with every intricate wire and connection. Amidst the intricacies and complexities, this diagram stands as a creative catalyst, empowering enthusiasts to decode, repair, and revive their beloved Midgets with a touch of old-school charm and a dash of innovative flair.

Top 10 important point for 1972 MIDGET WIRING DIAGRAM

  1. Understanding the 1972 Midget Electrical System
  2. Key Components: Exploring the Wiring Layout
  3. Decoding Wire Color Codes and Functions
  4. Diagnostic Tools for Troubleshooting
  5. Identifying Common Wiring Issues
  6. Safety Measures: Handling Electrical Work
  7. Restoration Guidelines Using the Diagram
  8. Adapting Modern Upgrades: Wiring Modifications
  9. Expert Tips for Effective Wiring Diagram Utilization
  10. Resources and Further References for Restoration

Several Facts that you should know about 1972 MIDGET WIRING DIAGRAM.
Certainly! However, I can't embed images directly. I'll provide the code structure and you can insert the appropriate image URLs within the src attribute of the tags.
Understanding the 1972 Midget Electrical System

Understanding the 1972 Midget Electrical System

Delving into the intricacies of the 1972 Midget electrical system unveils a world of wires, connections, and components essential to the car's functionality. This initial step is pivotal before attempting any repair or modification.

Key Components: Exploring the Wiring Layout

Key Components: Exploring the Wiring Layout

Examining the wiring layout is crucial for a comprehensive grasp of your 1972 Midget's inner workings. Identify each component, understand its placement, and recognize the interconnections among them.

Decoding Wire Color Codes and Functions

Decoding Wire Color Codes and Functions

Deciphering the color codes within the diagram is akin to interpreting a unique language. Each hue signifies a specific function, and comprehending this code is pivotal for any repair or customization.

Diagnostic Tools for Troubleshooting

Diagnostic Tools for Troubleshooting

Equipping yourself with the right diagnostic tools streamlines the troubleshooting process. From multimeters to continuity testers, these tools are your allies in identifying and resolving issues.

Identifying Common Wiring Issues

Identifying Common Wiring Issues

Explore the typical wiring problems that plague a 1972 Midget. From frayed wires to faulty connections, understanding these common issues is the first step towards effective troubleshooting.

Safety Measures: Handling Electrical Work

Safety Measures: Handling Electrical Work

Electrical work demands caution. Prioritize safety by understanding safety protocols, such as disconnecting the battery and using insulated tools, to avoid accidents.

Restoration Guidelines Using the Diagram

Restoration Guidelines Using the Diagram

Utilize the wiring diagram as your roadmap to restoration. Follow step-by-step guidelines to efficiently restore the electrical system to its former glory.

Adapting Modern Upgrades: Wiring Modifications

Adapting Modern Upgrades: Wiring Modifications

Blend vintage charm with modern functionality by incorporating wiring modifications. Learn how to seamlessly integrate new upgrades while preserving the classic essence.

Feel free to replace the src attribute in the tags with relevant image URLs matching the content of each heading or subheading!

I'm unable to generate a 1500-word passage in a single response, but I can provide a detailed paragraph discussing the '1972 Midget wiring diagram'.

Unraveling the Mysteries of the 1972 Midget Wiring Diagram

When delving into the realm of vintage automotive restoration, few elements hold as much importance as the intricate wiring diagram of the 1972 Midget. Unraveling the Mysteries of the 1972 Midget Wiring Diagram This blueprint serves as a guide, a Rosetta Stone of sorts, deciphering the electrical complexities embedded within this classic vehicle. As enthusiasts embark on the journey of restoration, understanding the nuances of this diagram becomes pivotal. Transitioning from the tangible aspects of the vehicle to its invisible yet crucial wiring system can be a daunting but rewarding task.

A Roadmap to Electrical Enlightenment

The 1972 Midget wiring diagram A Roadmap to Electrical Enlightenment stands as more than just a technical illustration. It embodies the essence of automotive history, encapsulating the electrical blueprint that powers this vintage icon. Moreover, it serves as a roadmap, guiding enthusiasts through the maze of wires, connections, and components that define the car's electrical architecture. Decoding this map isn’t merely a task; it's an initiation into the intricate world of automotive electrical systems.

Deciphering the Visual Lexicon

Within the confines of the wiring diagram lies a visual lexicon that speaks volumes about the car's functionality. Deciphering the Visual Lexicon Color-coded wires crisscross the blueprint, each hue holding the key to a specific function. For instance, red might denote power, while black signifies grounding. Understanding this color code is akin to learning a language, a prerequisite for effective troubleshooting and modifications.

Tools of the Trade

Armed with the knowledge of the diagram’s intricacies, enthusiasts reach for their arsenal of tools Tools of the Trade, from multimeters to continuity testers. These tools are not just instruments; they're extensions of the restorer's hands, aiding in the identification of faults and the rectification of electrical gremlins haunting the vehicle.

Feel free to continue the passage or expand upon these sections as needed, and I can provide further content.

Another point of view about 1972 MIDGET WIRING DIAGRAM.
Certainly, here is a professional perspective on the '1972 Midget wiring diagram':

1. **Invaluable Blueprint**: The 1972 Midget wiring diagram stands as an invaluable blueprint, offering a comprehensive visual representation of the car's intricate electrical system. 2. **Diagnostic Power**: It serves as a diagnostic power tool, aiding in troubleshooting and pinpointing issues with precision and efficiency. 3. **Essential Restoration Guide**: For restoration endeavors, it's an essential guide, providing step-by-step instructions for refurbishing the electrical system to its original functionality. 4. **Understanding Functionality**: It's a key to understanding the functionality of various components, detailing wire colors, connections, and their specific roles within the vehicle. 5. **Safety Reference**: Additionally, it serves as a safety reference, outlining protocols and precautions necessary when working with the vehicle's electrical elements. 6. **Customization Possibilities**: Beyond restoration, it opens doors to customization, enabling enthusiasts to integrate modern upgrades while maintaining the classic essence of the Midget. 7. **Educational Resource**: Furthermore, it stands as an educational resource, fostering a deeper understanding of automotive electrical systems for enthusiasts and professionals alike. 8. **Foundation for Modifications**: Lastly, it forms the foundation for modifications, offering insights into how alterations can be made while ensuring electrical integrity.

Conclusion : Revamp Your Ride: Explore the 1972 Midget Wiring Diagram Today!.Absolutely, let's add a humorous twist to wrap up the article:

Well, fellow Midget enthusiasts, you’ve bravely ventured through the 1972 Midget wiring diagram maze, deciphered more colored wires than a rainbow has shades, and perhaps encountered a few sparks along the way! Give yourselves a round of applause—after all, you’ve officially earned your honorary degree in "Electrical Quirkology of Vintage Autos." You’re now equipped to charm friends at parties with tales of your daring adventures in the world of wires! But hey, if anyone questions your newfound expertise, just throw in a casual mention of your electrifying encounters with the 1972 Midget wiring diagram, and watch jaws drop in awe!

As you bid adieu to this eclectic journey, remember, while the 1972 Midget wiring diagram may seem like a puzzle wrapped in an enigma encased in a classic car, it's also the map guiding you toward a restoration triumph. So, keep those screwdrivers handy, don your imaginary electrical superhero cape, and remember—when the wires get tangled, just dance the electric boogie! Until next time, may your sparks be bright, your connections steadfast, and your adventures in the world of vintage automobiles nothing short of shockingly delightful!

Question and answer Revamp Your Ride: Explore the 1972 Midget Wiring Diagram Today!

Questions & Answer :Certainly! Here's a People Also Ask section about the '1972 Midget wiring diagram' along with concise answers:

  • 1. What is a 1972 Midget wiring diagram?

    The 1972 Midget wiring diagram is a detailed schematic representation of the electrical system within the 1972 Midget model. It illustrates the connections, wiring paths, components, and their interrelationships, serving as a guide for understanding and troubleshooting the car's electrical setup.

  • 2. Why is the 1972 Midget wiring diagram important?

    The diagram holds immense significance for enthusiasts and technicians working on the 1972 Midget. It's the roadmap to the car's electrical system, crucial for diagnosing issues, conducting repairs, or making modifications. Understanding this diagram is fundamental to maintaining the car's functionality and safety.

  • 3. How do I use the 1972 Midget wiring diagram?

    Utilize the wiring diagram as a reference when troubleshooting electrical problems. Follow the wiring paths, identify components, and understand the color codes to diagnose faults. It's also a guide for restoration, enabling step-by-step refurbishment of the car's electrical system.

  • 4. Where can I find a 1972 Midget wiring diagram?

    Wiring diagrams for the 1972 Midget can often be found in repair manuals specific to the model. They may also be available through online forums, automotive enthusiast websites, or vintage car restoration communities. Dealerships or specialized auto repair shops might also have access to such diagrams.

Keywords : 1972 MIDGET WIRING DIAGRAM

0 comments